Ningbo Richge Technology Co., Ltd.
Ningbo Richge Technology Co., Ltd.
Produkty
ZN12-12 Series Integrovaný stĺpcový prepínač Vákuový istič
  • ZN12-12 Series Integrovaný stĺpcový prepínač Vákuový ističZN12-12 Series Integrovaný stĺpcový prepínač Vákuový istič
  • ZN12-12 Series Integrovaný stĺpcový prepínač Vákuový ističZN12-12 Series Integrovaný stĺpcový prepínač Vákuový istič

ZN12-12 Series Integrovaný stĺpcový prepínač Vákuový istič

Model:ZN12-12
Indoor Ac HV vákuový obvod série Zn12-12 je vnútorným zariadením troch fáz AC 50Hz, hodnotené napätie 12 kV, ktoré zaviedlo technológiu od nemeckej spoločnosti. Je vhodný pre oblasť so všetkými druhmi zaťaženia a častej prevádzky a môže sa použiť na ochranu a riadenie priemyselných a ťažobných, podnikových, elektrární a rozvodňových elektrických zariadení. Tento produkt je v súlade s súvisiacimi požiadavkami štandardov GB1984, JB3855, DL403 a IEC.

ZN12-12 Series Integrovaný stĺpcový prepínač Vákuový istič

  Zn12-12 Vysoké napätie Vysokého vákuového rozvádzača menovité napätie 12 kV a nasledujúce vnútorné vysokonapäťové rozvádzače, ktoré sú nainštalované hlavne v fixnom rozvádzači, pre priemyselné a banské podniky, elektrárne a rozvodne na ochranu a riadenie elektrických zariadení a je vhodné pre porušovanie dôležitých zaťažení a častej prevádzky miesta!

  Vákuové obvody série Zn12 sú vnútorné vysokorovné rozvádzacie rozvádzacie zariadenie s menovitým napätím 12 kV, 24 kV a 40,5 kV a trojfázovým AC 50Hz. Je to domáci produkt vyvinutý zavedením nemeckej technológie Siemens 3AF. Operačný mechanizmus ističa je pružinový typ skladovania energie, ktorý môže prevádzkovať AC alebo DC alebo manuálne. Pireč má jednoduchú štruktúru, silnú lámavú kapacitu, dlhú životnosť a úplné prevádzkové funkcie. A nehrozí nebezpečenstvo výbuchu a údržba je jednoduchá. Je vhodný pre riadiaci alebo ochranný prepínač systémov prenosu a distribúcie energie, ako sú elektrárne, rozvodne a priemyselné a banské podniky, najmä vhodné na prelomenie dôležitých zaťažení a častých prevádzkových miest. Inštalačná forma ističa v spínacej skrinke môže byť buď pevným typom alebo vyrušovateľom typu, ktorý je možné vysťahovať. Tento produkt je v súlade s príslušnými normami, ako sú GB1984, JB3855 a IEC62271-100 „„ vysokorýchlostný persenok striedavého prúdu “.


Výhody:

1. Pirenec prešiel v 96. auguste ocenenie ministerstva strojov a ministerstva elektrickej energie, čo znamená, že kvalita je úplne zaručená.

Mechanizmus ističa je integrovaný s prepínačom a mechanizmus ovládača typu SPRING Energy Storage Typ Energy je možné prevádzkovať pomocou striedavého a jednosmerného skladovania energie alebo ručne prevádzkovaný.

Vďaka jednoduchej štruktúre, silnej lámavej kapacite, dlhej životnosti, úplných prevádzkových funkciách, bez nebezpečenstva výbuchu a ľahkej údržby je tento istič vhodný na riadenie alebo ochranu proti prepínaču prenosu a distribúcie energie, ako je elektráreň, mestská energia, rozvodní atď. Je obzvlášť vhodná na prelomenie dôležitých záťaží a miest s častým prevádzkou.


Vlastnosti:

1. Prelomová kapacita hasiacej komory oblúka je vysoká, nosná kapacita je nízka a elektrická životnosť je dlhá.

2. Usporiadanie je spredu dozadu, jednoduchá a kompaktná štruktúra, úplná prevádzka a ľahká údržba.

3. Na štruktúru a inštaláciu sa dajú rozdeliť na: horizontálny pevný typ, naklonený pevný typ, stredný pohybový pohyb.






Základné informácie.



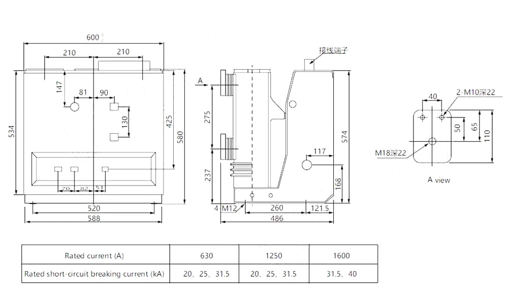
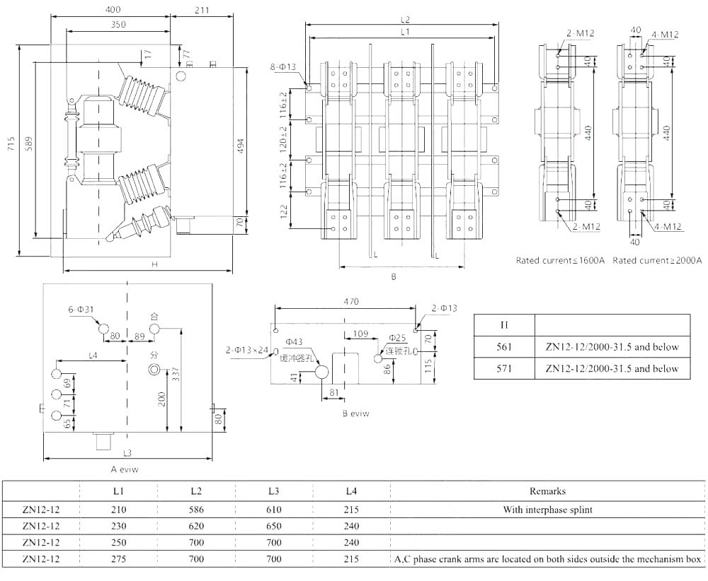
Technické parametre



Technické výkresy


Podmienky použitia Zn12-12 Integrovaný spínač Vákuového obvodu Vákuový obvod1. Nadmorská výška: ≤ 1 000 m; (Nadmorská výška prototypu môže dosiahnuť pod 4000 metrov)

2. Okolitá teplota: najvyššia +40 ° C, najnižšia -25 ° C;

3. Relatívna vlhkosť: Denný priemer nie viac ako 95%, mesačný priemer nie viac ako 90%;

4. Intenzita zemetrasenia: menej ako 8;

5. Inštalačné prostredie: Žiadny požiar, nebezpečenstvo výbuchu, žiadny korozívny plyn a žiadne násilné vibračné miesto.

6. Ak sa prostredie využívania presahuje vyššie uvedeným, kontaktujte výrobcu vysávača ističa.




Často

Otázka: Mohol by som mať ceny vašich výrobkov?

Odpoveď: Vitajte. Neváhajte a pošlite nám dopyt tu. Odpovieme vám do 24 hodín.


Otázka: Môžem dostať vzorku pred hromadnou objednávkou?

Odpoveď: Áno, vítame ukážku objednávky na testovanie a kontrolu kvality. Mmixované vzorky sú prijateľné.


Otázka: Môžeme vytlačiť naše logo/ názov spoločnosti na produkty?

Odpoveď: Áno, samozrejme, akceptujeme OEM, potom potrebujeme, aby ste nám poskytli povolenie na značku


Otázka: Prijímate prispôsobenie produktu?

Odpoveď: Áno, samozrejme, uveďte konkrétne výkresy alebo parametre, citujeme vás po vyhodnotení


Otázka: Aký je dodací čas?

Odpoveď: Dodacia doba závisí od objednaných množstiev, zvyčajne do 7-20 dní po prijatí platby.


Otázka: Aké sú vaše obchodné podmienky?

Odpoveď: Prijímame EXW, FOB, CIF, FCA atď.


Otázka: Aký je váš spôsob platby?  

Odpoveď: Prijímame T/T, Western Union, PayPal, neodvolateľné L/C na dohľad atď.


Otázka: Skontrolujete hotové výrobky?

Odpoveď: Áno, každý krok výroby a hotové výrobky vychádzajú pred odoslaním kontrolu oddelenia QC. A pred odoslaním poskytneme správy o inšpekcii tovaru


Otázka: Ako vyriešiť problémy s kvalitou po predaji?

Odpoveď: Fotografujte problémy s kvalitou a pošlite nám na našu kontrolu a potvrdenie, urobíme pre vás spokojné riešenie do 3 dní.




Továreň


Osvedčenie




Hot Tags: ZN12-12 Series Integrovaný stĺpcový prepínač Vákuový istič, Čína, výrobca, dodávateľ, továreň, nízka cena, kvalita, najnovší predaj, pokročilý
Odoslať dopyt
Kontaktné informácie
Ak máte otázky týkajúce sa nízkonapäťových rozvádzačov, vysokonapäťových izolátorov, vysokonapäťových uzemňovačov alebo cenníka, zanechajte nám svoj e-mail a my sa vám ozveme do 24 hodín.
X
We use cookies to offer you a better browsing experience, analyze site traffic and personalize content. By using this site, you agree to our use of cookies. Privacy Policy
Reject Accept